page_top_back

Products

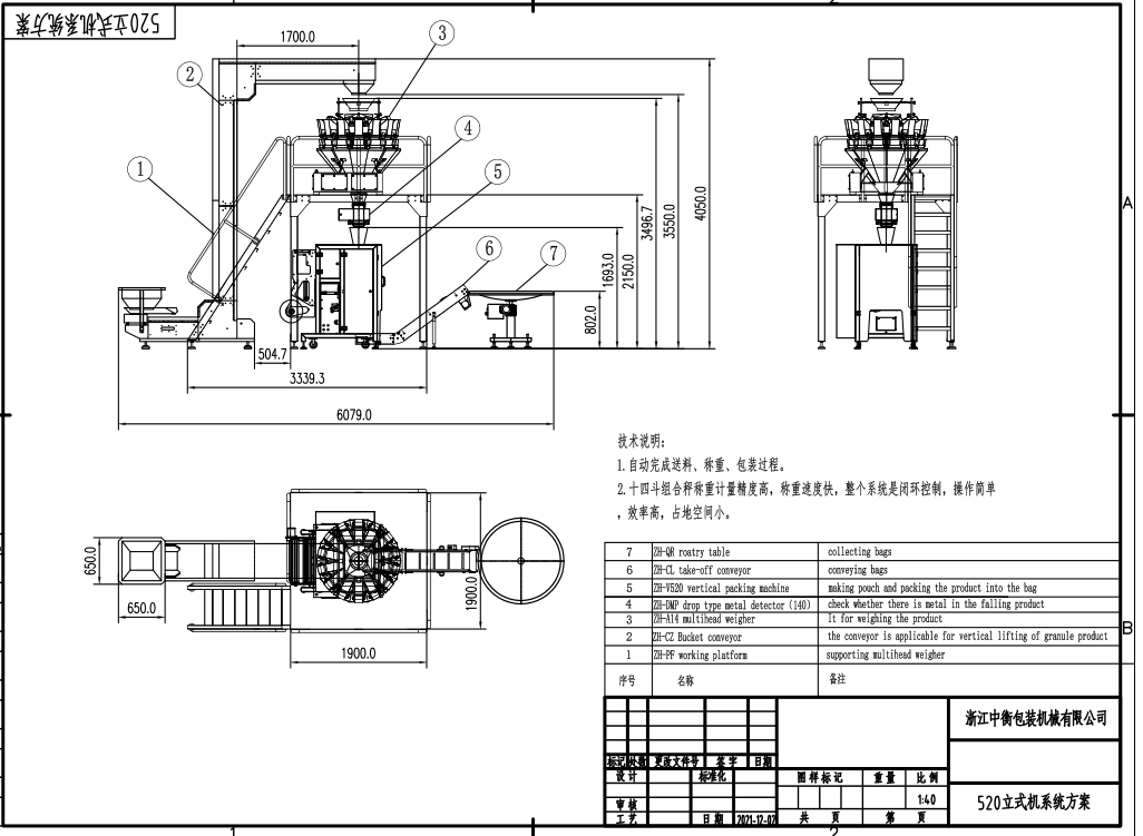
Multihead Weigher Working Platform for Supporting Weigher Machines

Product Description
 1.The platform is compact, stable and safe with guardrail and ladder.
2.Made of 304#stainless Steel of painted steel .

3.dimension :1900(L)x1900(w)x2100(H)mm

4.customizable

5.Customizable .

Z型提升机+喉式金检机520系统

Details

Appllcation

It is suitable for supporting the small and other big machines.

By Stainless Steel or Carbon Steel
Made by 304 stainless steel, nice, firm, clean and sanitary, with skidproof table-board, safe and practicality with long time use life.

微信图片_20240703092712

碳钢平台